Home Produkte Unternehmen Glossar Download Kontakt Site-Map Impressum

Beispiel: LAPAZ - Stellantriebs-Elektronik für Flugsteuerung (Avionik)

Stemme AG (Strausberg) entwickelte eine automatische Flugsteuerung (mit voller Steuerautorität) im Projekt LAPAZ (Luft-Arbeits-Plattform für die Allgemeine Zivilluftfahrt). Unser Beitrag ist die Aktuator-Elektronik-Einheit. Die Eckdaten der Stellantriebs-Elektronik sind: 28 VDC, 15 A.

Die Elektronik-Einheit kommuniziert über CAN-Bus (CANopen) mit dem Flugsteuerungs-Computer und treibt einen elektronisch kommutierten bürstenlosen Servomotor an. Die Kommutierung und auch die Positionserfassung erfolgen durch Resolver. Neben den Kernfunktionen zum Positionieren des Motors sind umfangreiche Schutzmaßnahmen und Sicherheitsfunktionen umgesetzt worden, damit ein robuster Betrieb und eine sichere Flugerprobung möglich sind. So besitzt die Elektronik einen zweistufigen Brems-Chopper, der die regenerative Energie (z.B. aus Böen) abfängt. Zur sicheren Dimensionierung wurden umfangreiche Messungen mit den Aktuatoren durchgeführt, um das Betriebsverhalten bei angetriebenem Motor zu erfassen. Darauf aufbauend wurden aufwendige Simulationen mit realen Böensignalen durchgeführt, die zur Dimensionierung der Chopper-Widerstände (Widerstandswert und Belastung) führten.

Die Schutzmaßnahmen gehen deutlich über die Forderungen nach RTCA DO-160 hinaus und ermöglichen damit einen robusten Betrieb, besonders (wie hier) im Forschungseinsatz.

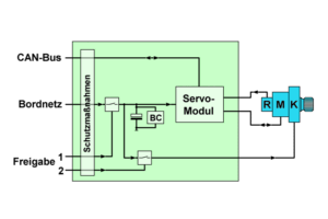
Gesamtüberblick

Die Stellantriebs-Elektronik besteht im Kern aus einem Servo-Modul zum Betrieb des bürstenlosen Gleichstrommotors (BLDC). Zum Betrieb sind umfangreiche Schutzmaßnahmen erforderlich, besonders für die Erprobung im Böen-Einsatz.

Blick von der Seite der Bord-Stecker

Der Anschluss der Bordnetz-Versorgung und der Flugsteuerung erfolgt auf einer Seite über zwei D-Sub-Steckverbinder.

Blick von der Seite der Aktuator-Stecker

Der Anschluss der Aktuator-Steckverbinder für die Motor-Phasen, den Kommutierungs-Resolver und für die Sicherheits-Kupplung erfolgt auf der anderen Seite ebenfalls mit D-Sub-Steckverbindern.

nach oben